BRC Global
 
About Us Our Strength Products Project Contact Us

Our Projects

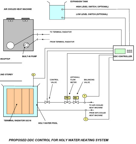
Hot water heating system

 


Projects Line up
BRC Global Pte Ltd

AHU with heat pipe Animal facility MAU for Robert Bosch Process Cooling
Minor OT C T Scan room JMC OT Staircase Pressurization
Hot water heating system SGH OT HPU Lab with HR chiller system BSL Lab
Web based BMS system PPD Global Lab CGH Angio OT CGH CathLab 
HSA Active Charcoal Filter for AHU HSA replacement of blower for AHU NYP Blk Q ACMV system NYP Blk Q Cold Room
NYP Vinyl flooring with patterns NYP FH & BSC NYP Gas Detection System NYP Lab Furniture
NYP Lab Gas & Gas Yard  NYP Structural Works NYP Town Gas NYP Uninterrupted Power Supply
NYP Vermuculite treatment      



© BRC Global Pte Ltd. All rights reserved.
GST reg.: 20-0506994-D | 18, Upper Serangoon View, #02-13, Singapore 534202 | Co. Reg.: 200506994D